MR-J2S-□Aシリーズの動作確認方法の紹介
1. 概要

このページでは、三菱のサーボアンプ、MR-J2S-□Aの当社における動作確認方法をご紹介します。当社が具体的にどのように動作確認を行っているのかを知っていただき、少しでも安心してご購入いただけるよう作成しています。
MR-J2Sシリーズは既にメーカーが生産を終了している機種です。しかし私たち保守部品.comは、生産終了した製品を主に取り扱うサイトです。あえてこの機種を選び記事を作成しました。
2. 位置決め動作の確認

当社には独自開発の動作確認ソフトウェアがあります。MR-J2S-□Aは、パルス列入力方式のアンプのため、そのソフトウェアの「A1SD75P3パルス発生機能」という機能を使って動作確認をします。「ピッチ送り移動量」の設定を、サーボモータのエンコーダーの1回転あたりの分解能と同じ数値に設定し、正転及び逆転方向にそれぞれピッチ送りを何度も繰り返し行うことで正確な位置決め動作ができることを確認しています。

さらに回転数計を使用し、指定したモータ回転速度と実際の回転速度が一致するかの確認も行っています。
なお、当社ではサーボアンプを動作確認する際は、正しい組み合わせとなるモータを接続した上で動作確認をしています。当社には動作確認用のサーボモータが容量別にストックされており、どんな容量のアンプであっても確実な動作確認ができる環境が整っています。
3. 入出力信号の確認

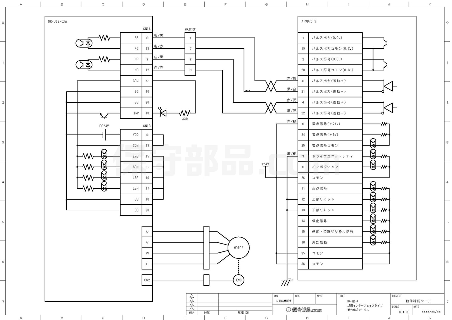
この図は、MR-J2S-□Aを動作確認する際の回路です。パルスの発生には、三菱電機の位置決めユニット(A1SD75P3)を使用しています。動作確認時は、予めこの回路図の通りに配線されたケーブルを接続して検査を行っております。
当社では、アンプにモータを接続し、正確な位置決め動作ができることを確認するだけではなく、SON(サーボON)、LSP(正転ストロークエンド)、LSN(逆転ストロークエンド)、EMG信号(非常停止)の各入力が正常に働くかの検査も行っております。これらの入力は、作業者の安全確保や機器の破損防止をするために使われることが多い入力です。このため当社では、この検査は非常に重要という認識を持って確認作業を行っております。
実際の検査においては、さきほどの回路図のようにアンプのSON(サーボON)、LSP(正転ストロークエンド)、LSN(逆転ストロークエンド)の3つの入力を全て0Vに接続しています。同時に、パラメータNo.41の「入力信号自動ON選択」の設定を「0000」に設定し、これらの信号を「有効」に切り替えます。その状態でサーボON、正転、逆転を行うことで、それら3つの入力が全て正常であることを確認することができます。EMG信号(非常停止)も0Vに接続しています。もしこの信号がオープンのままの場合、非常停止状態になりますから、この回路図の通りに配線し運転を行うことで、EMG信号も正常であることが確認できます。
また、SON、LSP、LSN、EMGの信号が正常に働くということは、それらの入力のフォトカプラを駆動させている24Vの内部電源も正常であることが確認できます。
パルス列入力回路についてですが、より確実な動作確認をするために、A1SD75P3から出力するパルスは、「パルス列+符号」方式ではなく、「正転/逆転」方式としています。それに合わせてMR-J2S-□Aも、パラメータNo.21の「入力パルスの波形選択」を「0000」に設定し、「正転/逆転」方式で受け取るようにしています。こうすることで、MR-J2S-□A内部のパルス列入力用のフォトカプラの2つが正常に高速パルスを受け取るかを、より確実に確認することができます。
4. パラメータの読み書きの確認

MR Configurator(三菱が提供しているサーボのセットアップソフトウェア)を用いて、正常にパラメータの読み書きができることも確認しています。なお、パラメータNo.19の「パラメータ書込み禁止」の設定が「000E」になっていない場合、「一括書込」を行っても、書き込み可能な範囲が限定されてしまい、全てのパラメータに対して書き込みをすることができません。このため当社では、まず最初にNo.19へ「000E」を書き込み、電源を再投入して設定を有効にし、全範囲に渡ってパラメータの変更が可能な状態にします。その上で、全パラメータの読み書きができることを確認しています。
余談ですが、以前お客様から、「サーボモータがなめらかに回らない」というお問い合わせをいただいたことがあります。その場合、パラメータNo.2「オートチューニング」の「応答性設定」の値を少し高めに設定すると解決することがあります。この値が小さいと、追従性が低下するため、つまり、指令に対してサーボモータが遅れて動作するため、いわゆるハンチング(回転ムラ)が発生し、なめらかな回転が得られなくなります。高速で回転させた場合には目立たないのですが、低速で回転させると顕著になります。しかしだからと言ってこの設定を大きくしすぎると、今度は振動が発生しやすくなります。このため、振動が発生しない範囲で期待する応答性が得られるよう設定する必要があります。
5. S/W番号、及び、電源ON累積時間の確認


当社では必ずS/W番号、及び、電源ON累積時間を調査しています。その理由は二つあります。
ひとつは、商品ページにそれらを記載し、いつ頃製造され、どのぐらい使用されたものかをお客様にお伝えするためです。
もう一つは、偽物の流出を防ぐためです。三菱電機の「中国FA製品に関する商標権侵害訴訟における当社勝訴について」というページを見ていただければわかるのですが、オークションサイトなどにおいて三菱製品を模した偽物が多数出回っております。当社ではS/W番号や電源ON累積時間をチェックをすることで偽物の流出を防いでいます。偽物のアンプは、たとえば外観のチェックにおいて明らかに使用した形跡が認められるのに、「電源ON累積時間」が0Hであったり、あるいは、製造年が新しいのにS/W番号は古いバージョンというように、不自然な点が見られることがあります。(偽物かどうかの判断は上記の方法だけではなく、基板をチェックするなど他にも方法がありますが、ここでは説明を省略します。)
6. 備考
MR-J2S-□Aの型番のあとに何らかの記号が付くアンプは、特殊仕様のアンプです。メーカーがその顧客の要求仕様に合わせて予めパラメータを入力してあり、設定が変更ができないようになっている場合があります。特殊仕様のアンプはオークションサイトでよく見かけます。もし、特殊仕様のアンプをご購入なさった場合は、自由にパラメータの変更ができない場合がありますので注意が必要です。
7. 当社で動作確認可能なMR-J2Sシリーズの一覧表
汎用インタフェース | シリアルバスSSCNET対応 | 位置決め機能内蔵 | |
---|---|---|---|
200V | MR-J2S-10A MR-J2S-20A MR-J2S-40A MR-J2S-60A MR-J2S-70A MR-J2S-100A MR-J2S-200A MR-J2S-350A MR-J2S-500A |
MR-J2S-10B MR-J2S-20B MR-J2S-40B MR-J2S-60B MR-J2S-70B MR-J2S-100B MR-J2S-200B MR-J2S-350B MR-J2S-500B |
MR-J2S-10CP MR-J2S-20CP MR-J2S-40CP MR-J2S-60CP MR-J2S-70CP MR-J2S-100CP MR-J2S-200CP MR-J2S-350CP MR-J2S-500CP |
100V | MR-J2S-10A1 MR-J2S-20A1 MR-J2S-40A1 |
MR-J2S-10B1 MR-J2S-20B1 MR-J2S-40B1 |
MR-J2S-10CP1 MR-J2S-20CP1 MR-J2S-40CP1 |
200V
汎用インタフェース | MR-J2S-10A MR-J2S-20A MR-J2S-40A MR-J2S-60A MR-J2S-70A MR-J2S-100A MR-J2S-200A MR-J2S-350A MR-J2S-500A |
---|---|
シリアルバスSSCNET対応 | MR-J2S-10B MR-J2S-20B MR-J2S-40B MR-J2S-60B MR-J2S-70B MR-J2S-100B MR-J2S-200B MR-J2S-350B MR-J2S-500B |
位置決め機能内蔵 | MR-J2S-10CP MR-J2S-20CP MR-J2S-40CP MR-J2S-60CP MR-J2S-70CP MR-J2S-100CP MR-J2S-200CP MR-J2S-350CP MR-J2S-500CP |
100V
汎用インタフェース | MR-J2S-10A1 MR-J2S-20A1 MR-J2S-40A1 |
---|---|
シリアルバスSSCNET対応 | MR-J2S-10B1 MR-J2S-20B1 MR-J2S-40B1 |
位置決め機能内蔵 | MR-J2S-10CP1 MR-J2S-20CP1 MR-J2S-40CP1 |
私たち保守部品.comの使命は、確実に動作するFA部品をお届けすることで皆様の生産設備を守ることです。今後も動作確認に力を入れ、お客様が安心してご利用いただけるよう最大限の努力をしてまいります。